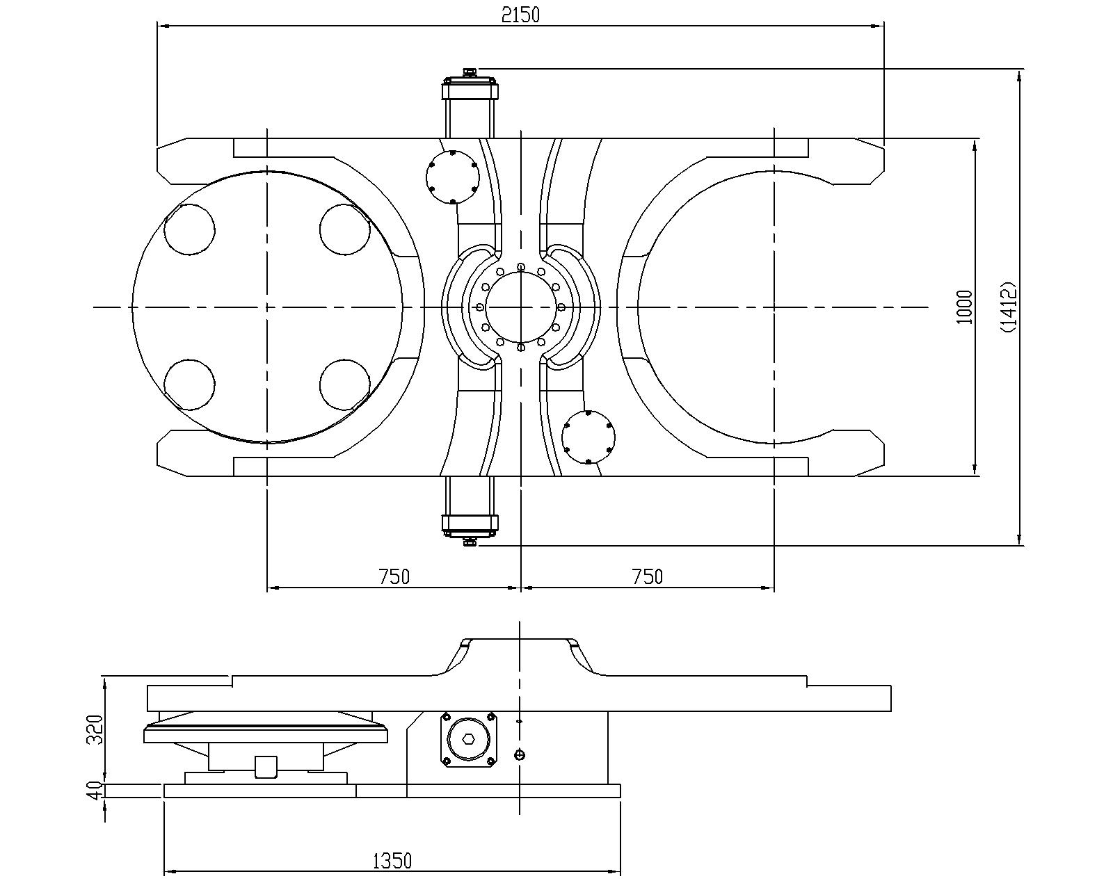
Feature
- Position cone x 4 for position and clamping worktable.
- Hydraulic teeth control the workable exchange automatically.
- Running / Accuracy test 72 hours at least continually.
- According to design by DIN & ISO standard.
- APC -
- 500 -
- □
- Horizontal Pallet Changer
- Table size
- H:Hydraulic
S:Servo
C:Cam



