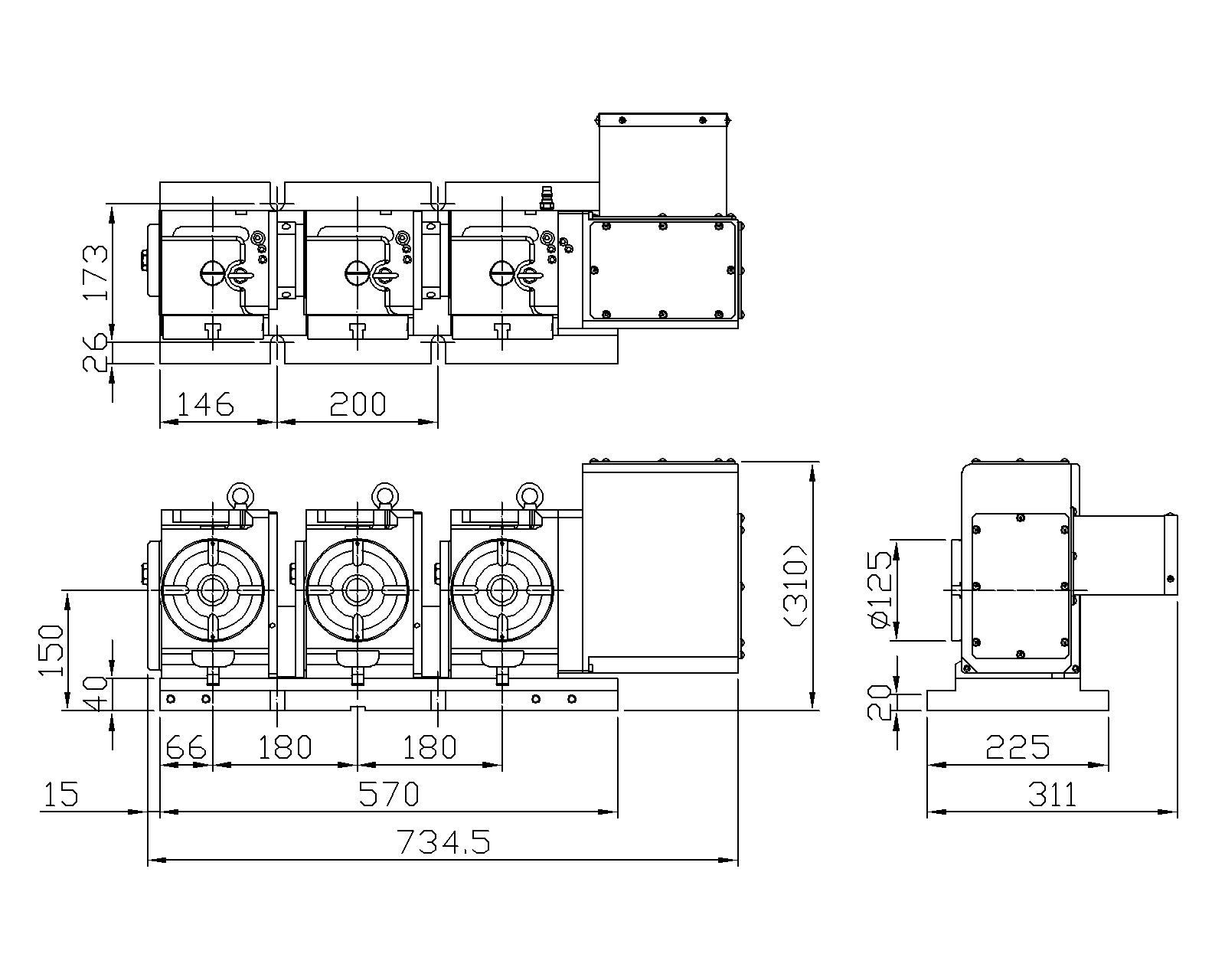
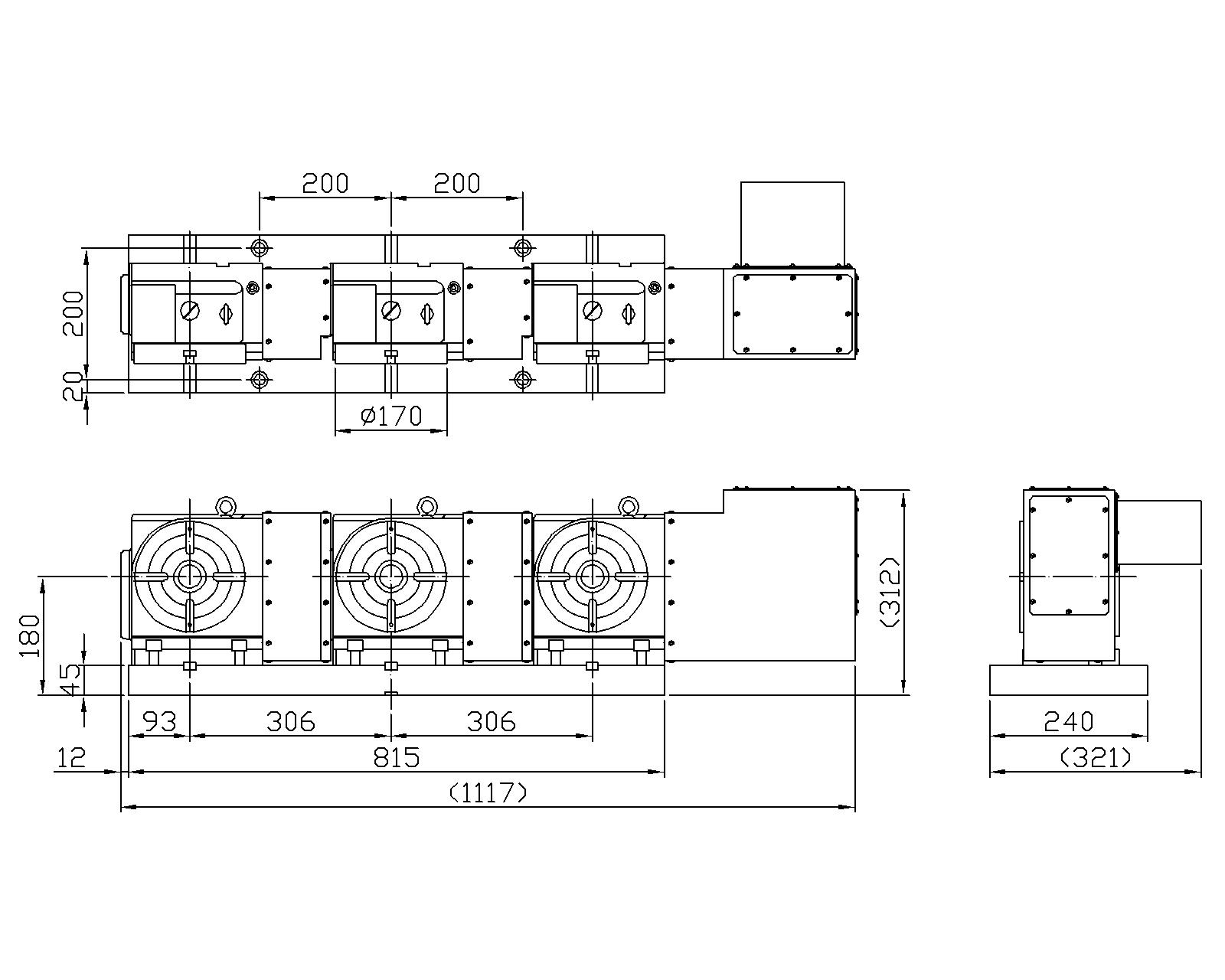
Feature
- Rotary table diameter Ø125, Ø170, Ø210, Ø250mm.(Pneumatic clamping)
- Exclusive dual lead worm drive.
- Minimum increment 0.001°.
- V
- R
- NC -
- 210 -
- □ -
- □
- V:Pneumatic system
M:Hydraulic system - Rotary type
- Servo control
- Table diameter
- Motor location
F:Back type - Quantity of rotary tables
Note:MRNC-255V-2W hydraulic synchronized double-head CNC rotary table is available.Please contact us for drawing if necessity.







