Feature
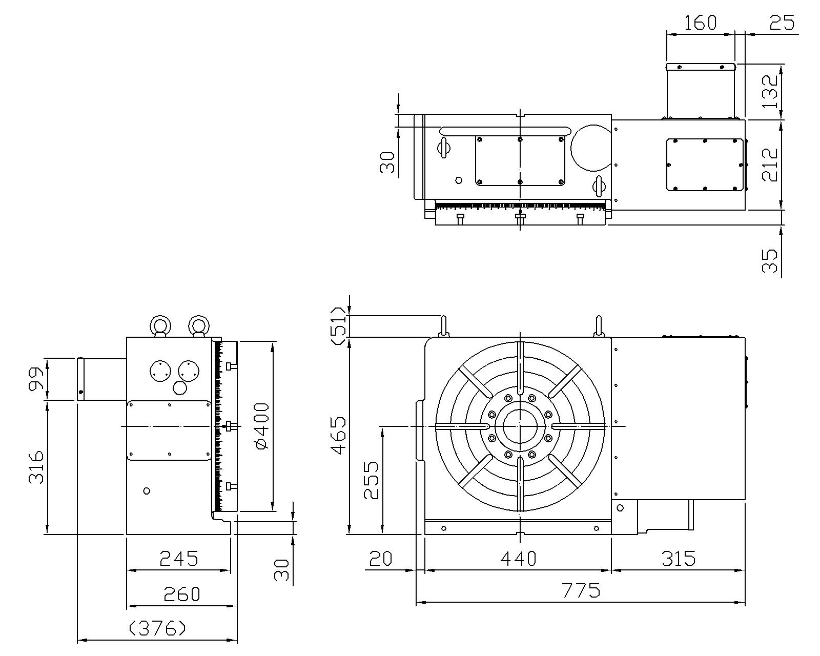
- Worktable diameter Ø255, Ø320, Ø400, Ø500mm.(Vertical & Horizontal applications)
- CNC gear coupling rotary table.
- Exclusive 3-piece coupling suits heavy duty machining.
- Indexing accuracy ±5".
- Minimum increment angle 1°or 5°.
Exclusive 3-pieces coupling
- M
- I
- NC -
- 400 -
- □
- Hydraulic system
- Indexing
- Servo control
- Table diameter
- Motor cover
N:Shortened
Note:
- Choice of connector location at side, top or back of the rotary table.
- "N" means shortened motor cover, please contact us for shortening drawing if necessity.



